Датчик температуры ДТ-01-420-5 пятиканальный с выходом 4…20 мА системы аэрации участка подготовки технического грунта
Датчик температуры ДТ-01-420-5 пятиканальный с выходом 4…20 мА системы аэрации участка подготовки технического грунта
-
Артикул:ДТ-01-420-5
-
Бренд:Relsib
-
Категория:
Цена:
42 560.00₽
Одновременный контроль температуры грунта в 5-ти точках по глубине.
- Одновременный контроль температуры грунта в 5-ти точках по глубине
- Высокая точность,
- Защита от пыли и влаги,
- Может поставляться с гос. калибровкой
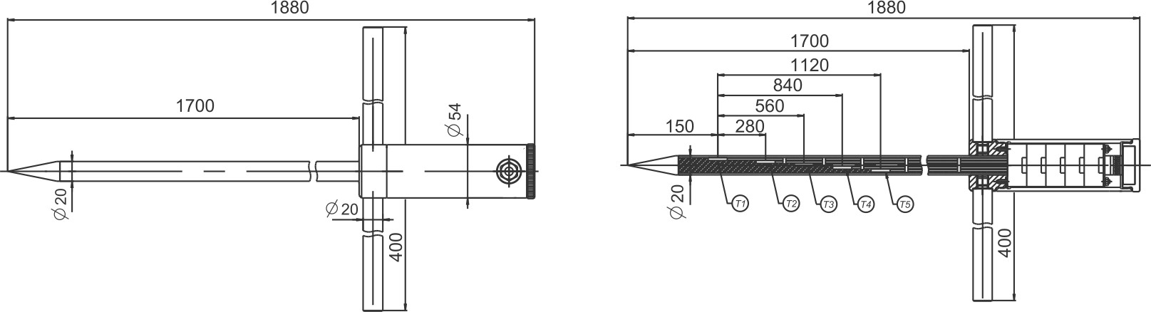
Датчик температуры ДТ-01-420-5 изготовлен из нержавеющей стали, имеет заостренный зонд и ручки для удобного погружения зонда в почву. На разной высоте от конца в зонде расположены термочувствительные элементы из платины. В корпусе датчика находятся преобразователи сигнала с термочувствительных элементов в ток 4…20 мА и клеммы для подключения внешнего кабеля. По желанию Заказчика могут меняться: длина зонда, расстояние от конца зонда до чувствительных элементов.

Характеристики
| Наименование модификации | ДТ-01-420-5 |
| Диапазон измерения температуры, °С | 0…+120 |
| Диапазон преобразования температуры, °С | 0…+120 |
| Пределы допускаемой абсолютной погрешности измерений температуры | 0,5+|0,005T| |
| Количество каналов измерения | 5 |
| Диаметр зонда, мм | 20 |
| Длина зонда, мм | 1700 |
| Напряжение питания, В | 24 |
| Диапазон температуры эксплуатации, °С | -30…+50 |
| Степень защиты корпуса | IP54 |
| Габаритные размеры нетто, мм | 400х1880х54 |
| Средний срок службы, не менее, лет | 5 |






